TI AM6252外接ALC5616音頻Codec原理圖設計與要點分析
TI AM6252外接ALC5616音頻Codec原理圖設計與要點分析
摘要
本文詳細介紹了TI AM6252處理器如何通過I2S接口外接ALC5616音頻Codec的原理圖設計方法。這些設計原則也完全適用于基于Weathink AM62x 核心板的方案,旨在為硬件工程師提供一套完整、可落地的設計指南。本文內容對于開發基于TI AM6252或AM625x系列處理器的音頻相關產品至關重要,是理解其硬件設計的寶貴參考。
如果您在開發過程中遇到技術難點,或需要更深入的硬件設計與軟件驅動支持,歡迎隨時聯系我們,Weathink專業團隊將為您提供一站式解決方案。
1. AM6252與音頻Codec:為什么需要外部方案?
TI AM6252是一款高性能、低功耗的應用處理器,廣泛應用于工業HMI、網關和邊緣計算等領域。雖然它集成了多媒體功能,但為了實現高質量的音頻輸入/輸出、支持多種音頻格式或特殊功能(如麥克風陣列),通常需要外接專用的音頻Codec芯片。在實際產品開發中,為了縮短設計周期、降低復雜性,許多工程師會選擇使用核心板(System on Module,SOM)。例如,使用Weathink AM62x 核心板,開發者無需處理復雜的AM6252核心電源和DDR布線,可以將精力集中在外接ALC5616音頻Codec等外設的原理圖設計上,從而實現高質量的音頻輸入/輸出。音頻Codec負責將數字音頻數據(例如來自AM6252)轉換為模擬信號(播放),并將模擬信號(例如來自麥克風)轉換為數字信號(錄音)。AM6252通過標準接口與Codec進行通信,最常用的是I2S(集成音頻)和I2C(控制)。
2. 核心接口與ALC5616 Codec選型
在設計原理圖之前,首先需要選擇合適的音頻Codec芯片。例如,ALC5616就是一款與AM6252兼容性良好的選擇。這款Codec芯片通常集成了ADC(模數轉換器)、DAC(數模轉換器)和耳機/揚聲器驅動,功能全面。

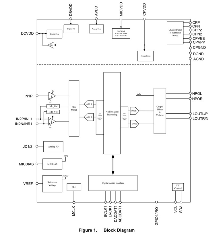
圖一 ALC5616框圖
2.1 I2S接口:音頻數據傳輸
I2S(Inter-IC Sound)接口是AM6252與ALC5616之間傳輸音頻數據的核心。它通常包含以下四根信號線:
BCLK (Bit Clock):位時鐘,用于同步數字音頻數據流。
WCLK (Word Clock) / LRCLK (Left-Right Clock):字時鐘,用于標識左右聲道數據的起始。
DOUT (Data Output):數字音頻數據輸出,AM6252向ALC5616發送音頻數據。
DIN (Data Input):數字音頻數據輸入,ALC5616向AM6252發送音頻數據。
設計要點:
時鐘源:AM6252可以配置為I2S Master或I2S Slave模式。
Master模式:由AM6252提供BCLK和WCLK,ALC5616作為從設備同步。這種模式配置相對簡單,是推薦的首選。
Slave模式:由ALC5616提供BCLK和WCLK,AM6252作為從設備同步。需要確保ALC5616提供的時鐘滿足AM6252的時序要求。
引腳連接:在原理圖中,將AM6252的I2S引腳(通常在引腳復用表中查找)直接與ALC5616對應的I2S引腳相連。例如,AM6252的MCLK(主時鐘)通常也需要連接到ALC5616,為其提供參考時鐘。在使用Weathink AM62x 核心板時,這些I2S、MCLK等核心接口信號引腳都已通過SOM的連接器引出,開發者只需參考SOM的引腳定義進行連接即可。
2.2 I2C接口:Codec寄存器配置
I2C(Inter-Integrated Circuit)接口用于AM6252向ALC5616發送控制指令,例如設置采樣率、音量、增益、模式等。
設計要點:
SDA (Data) 和 SCL (Clock):將AM6252的I2C引腳與ALC5616的I2C引腳相連。
上拉電阻:I2C總線是開漏輸出,必須在SDA和SCL線上連接上拉電阻。電阻值通常為2.2kΩ或4.7kΩ,具體取決于總線電容和工作頻率。
地址:ALC5616芯片有一個固定的I2C從機地址,需要在AM6252的軟件驅動中進行配置。
2.3 復位與中斷
復位(RESET):ALC5616芯片通常有一個復位引腳。建議將此引腳連接到AM6252的一個GPIO引腳,以便軟件可以控制ALC5616的啟動和復位時序。
中斷(INT):如果ALC5616支持中斷功能(例如檢測到耳機插入/拔出),可以將其中斷輸出引腳連接到AM6252的一個GPIO,用于產生中斷請求,實現快速響應。
3. 電源與地線設計
電源是穩定運行的基礎,特別是對于模擬和數字混合的音頻Codec。
電源軌:AM6252通常使用1.8V、3.3V等電源。ALC5616芯片也需要多個電源軌,例如數字核電源(DVDD)、模擬電源(AVDD)和IO電源(IOVDD)。確保ALC5616的IOVDD電壓與AM6252的IO電壓匹配,以保證電平兼容。
去耦電容:在ALC5616芯片的每個電源引腳附近,都必須放置去耦電容,通常是0.1μF和10μF的組合,以濾除高頻噪聲和提供瞬時電流。
地線:這是至關重要的一點。為確保音頻質量,ALC5616的**模擬地(AGND)和數字地(DGND)**必須進行單獨處理,最后只在單點(例如ALC5616附近)連接在一起。PCB布局時,應使用完整的地平面。
4. 原理圖示例與分析

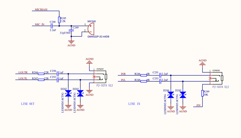
圖二 AM6252連接ALC5616的接法

圖三 AM6252連接ALC5616的對外接口
該原理圖展示了AM6252處理器與ALC5616音頻Codec的實際連接細節。您可以參考此圖來驗證您的設計,并重點關注以下幾個方面:
電源連接:檢查所有ALC5616所需的電源軌(DVDD, AVDD, IOVDD)是否正確連接,并有足夠的去耦電容。
信號走線:確認I2S和I2C信號線是否直接、無干擾地連接。
外圍電路:檢查音頻輸入/輸出部分的濾波電路、耦合電容以及耳機插座的連接是否正確。
5. PCB布局關鍵要點
良好的PCB布局是確保音頻質量的關鍵,甚至比原理圖本身更重要。
區域劃分:在PCB上,將模擬音頻部分(ALC5616的模擬輸出、輸入、耳機接口)與數字電路部分(AM6252、I2S、I2C)分開,避免數字信號噪聲干擾模擬信號。
地平面:使用獨立的模擬地和數字地平面,并通過一個0Ω電阻或磁珠連接。這有助于隔離噪聲。
信號走線:
I2S信號線:走線應盡量短且等長,以保持信號完整性。
模擬音頻走線:應遠離任何高速數字信號線,走線應粗且有完整地線包圍。
電源濾波:在ALC5616的電源輸入端,應使用π型濾波(電感-電容-電容)或磁珠進行濾波,以減少電源噪聲。
6. 軟件驅動與配置
硬件設計完成后,軟件方面也需要相應的支持。在基于Linux的AM6252系統中,需要:
設備樹(Device Tree)配置:在設備樹文件中,定義AM6252的I2S和I2C接口,并描述所連接的ALC5616芯片(例如,指定其I2C地址、工作模式等)。
ALSA驅動:Linux的ALSA音頻框架提供了對ALC5616的支持。正確配置設備樹后,系統會自動加載相應的驅動,使ALC5616能夠被系統識別和使用。
具體設備樹配置和驅動的Porting需要專業的團隊來做,可以聯系我們。
7. 總結
TI AM6252(當然也包含AM6254)外接ALC5616音頻Codec的原理圖設計是一個綜合性的工作,它不僅涉及核心接口連接,更需要關注電源、地線和PCB布局等多個方面。特別地,采用像Weathink AM62x 核心板這樣的核心板方案,可以極大地加速開發進程,因為它提供了一個經過驗證的、穩定的硬件平臺,讓您能夠專注于實現獨特的產品功能,例如本文討論的音頻功能。
如果您在項目開發過程中,對AM6252硬件設計、ALC5616音頻驅動或Weathink核心板有任何疑問,需要更深入的技術支持或定制化服務,歡迎隨時聯系我們,我們的專業團隊將竭誠為您服務。
EN